









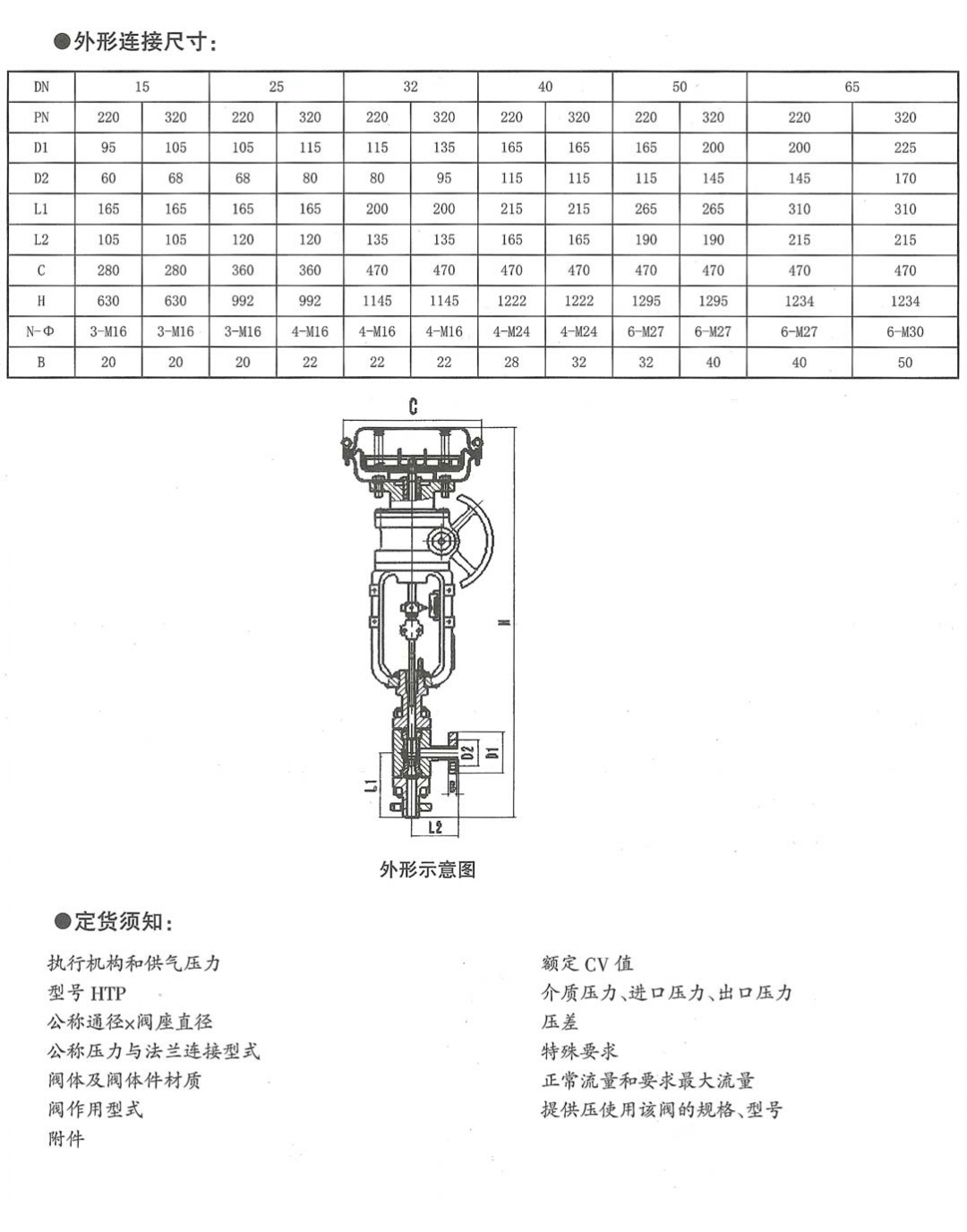
HTP新型尿素专用调节阀
HTP新型尿素专用调节阀是我厂集多年生产����� �������Ƴ������������ �������Ƴ������������ �������Ƴ�������制造P4阀经验,并在消化吸收引进大化肥装����� �������Ƴ������������ �������Ƴ������������ �������Ƴ������������ �������Ƴ�������置先进技术的基础上研制开����� �������Ƴ������������ �������Ƴ������������ �������Ƴ�������发具有自主知识产权的专利产品,专����� �������Ƴ������������ �������Ƴ�������利号号:ZL02221208.6。控制装置采����� �������Ƴ������������ �������Ƴ�������用日本技术生产的超精小型气动执����� �������Ƴ������������ �������Ƴ������������ �������Ƴ������������ �������Ƴ�������行机构,阀内件采用笼式双导向����� �������Ƴ����������� �������Ƴ������������ �������Ƴ�������结构,整个阀体密封面采用R球面密封。经����� �������Ƴ������������ �������Ƴ������������ �������Ƴ�������国内众多中、小型化肥厂使用,HTP新型尿素专用高����� �������Ƴ����������� �������Ƴ������������ �������Ƴ������������ �������Ƴ�������压调节阀与原ZMBS- ����� �������Ƴ������������ �������Ƴ�������220/320高压P4阀比较����� �������Ƴ������������ �������Ƴ������������ �������Ƴ�������更具有抗振性能好、噪音低、耐冲刷、抗����� �������Ƴ����������� �������Ƴ������腐蚀、高压差、寿命长、使用可靠、维修����� �������Ƴ������������ �������Ƴ����������� �������Ƴ�������方便等多项优点。
Copyright © 2020-2021 湖北����� �������Ƴ������������ �������Ƴ������������ �������Ƴ������������ �������Ƴ�������宜化集团化工机械设备制造安装有限公����� �������Ƴ����������� �������Ƴ������������ �������Ƴ������������ �������Ƴ������司 版权所有备案号:京ICP证000000号