










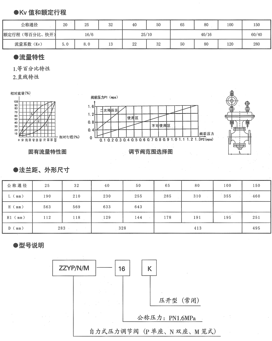
ZZYP/N/M自力式单座/双����� �������Ƴ������������ �������Ƴ����������� �������Ƴ������������ �������Ƴ�������座/笼式压力调节阀,是一种不����� �������Ƴ������������ �������Ƴ������������ �������Ƴ�������需外加能源,根据被控制流����� �������Ƴ������������ �������Ƴ�������体的压力,自行操作并保持变量����� �������Ƴ������������ �������Ƴ�������恒定的调节阀。该阀由主阀、压����� �������Ƴ������������ �������Ƴ�������力指挥器、调节针阀三部分连接成����� �������Ƴ������������ �������Ƴ������������ �������Ƴ������������ �������Ƴ�������一个紧凑的整体,安装维护方便,����� �������Ƴ������������ �������Ƴ�������调节性能良好。阀芯与阀座密封有金属密封����� �������Ƴ������������ �������Ƴ������、橡胶密封、聚四氟乙烯密封三种,以适应不同的����� �������Ƴ������������ �������Ƴ����������� �������Ƴ����������� �������Ƴ�������密封要求。
工作原理
ZZYP/N/M自力式单座/双座/笼式压力调节����� �������Ƴ������������ �������Ƴ����������� �������Ƴ������������ �������Ƴ������阀稳定阀后管道介质压力的工作原理:当阀后压力����� �������Ƴ������������ �������Ƴ������������ �������Ƴ�������升高至给定的压力值以上时,主阀薄膜上下����� �������Ƴ������������ �������Ƴ������������ �������Ƴ�������压差有了变化,引起阀芯部件向关小阀门����� �������Ƴ������������ �������Ƴ�������的方向运动;当升高的阀后压力传����� �������Ƴ������������ �������Ƴ������������ �������Ƴ������������ �������Ƴ�������递到指挥器下膜腔时,使喷咀与挡板距离����� �������Ƴ������������ �������Ƴ������������ �������Ƴ������������ �������Ƴ�������减少,输出至主阀的操作信����� �������Ƴ����������� �������Ƴ�������号压力相应减小,同样要引起阀芯����� �������Ƴ������������ �������Ƴ������������ �������Ƴ������������ �������Ƴ�������部件向关小阀门的方向运动。阀����� �������Ƴ������������ �������Ƴ������������ �������Ƴ�������门关小,阀后压力P2到等于给定值为止。反����� �������Ƴ������������ �������Ƴ������������ �������Ƴ������������ �������Ƴ�������之,当阀后压力降低至给定值以下时,指挥器输出压����� �������Ƴ������������ �������Ƴ������������ �������Ƴ������������ �������Ƴ�������力增大,主阀开大,使阀后压力升高,直到����� �������Ƴ����������� �������Ƴ������������ �������Ƴ������等于原给定值为止。
Copyright © 202����� �������Ƴ������������ �������Ƴ�������0-2021 湖北宜化集团化工机械����� �������Ƴ������������ �������Ƴ�������设备制造安装有限公司 版权所有备案号:京ICP证000000号