


型 式 角型单座铸造球型阀
公称通径 25、40、50、80mm
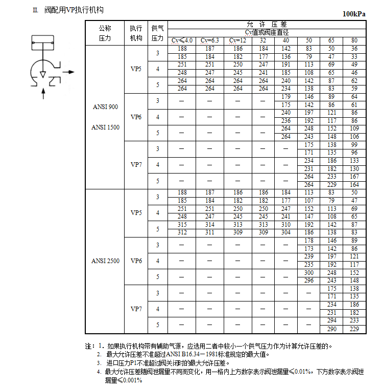
公称压力 ANSI 900、1500、2500 JIS 63K
连接型式
法兰连接:RF、RJ
法兰标准:JIS B2201-1984、ANS����� �������Ƴ������������ �������Ƴ�������I B16.5-1981等
焊接连接:
嵌接焊SW(25~80mm)
对接焊BW(80mm)
材 料 碳钢(ZG230-450)、����� �������Ƴ������������ �������Ƴ������������ �������Ƴ�������CrMo钢、不锈钢(ZG1Cr18Ni9Ti、����� �������Ƴ������������ �������Ƴ�������ZG1Cr18Ni12Mo2Ti)等
上 阀 盖 ����� �������Ƴ������������ �������Ƴ�������
常温型(P):-5~+230℃
伸长Ⅰ型(EⅠ): +230~+566℃
注:工作温度不准超过各种材料的允许范围����� �������Ƴ������������ �������Ƴ������������ �������Ƴ�������。压盖型式 螺栓压紧式
填 料 石棉编织填料阀内组件
阀芯型式 单座柱塞型阀芯
流量特性 等百分比特性(%C)和线性����� �������Ƴ������������ �������Ƴ������������ �������Ƴ�������特性(LC),参考图1
材 料 不锈钢(1Cr18N����� �������Ƴ����������� �������Ƴ����������� �������Ƴ�������i9Ti、1Cr18Ni����� �������Ƴ������������ �������Ƴ����������� �������Ƴ������������ �������Ƴ�������12Mo2Ti、17-4PH、����� �������Ƴ������������ �������Ƴ������������ �������Ƴ������������ �������Ƴ�������9Cr18、316L)、不锈钢堆焊司太莱合金等
执行机构
型 式
HA多弹簧薄膜执行机构、VA6单作用气缸����� �������Ƴ������������ �������Ƴ����������� �������Ƴ������������ �������Ƴ�������活塞执行机构、VP双作用气缸活����� �������Ƴ������������ �������Ƴ������������ �������Ƴ������������ �������Ƴ������塞执行机构
膜片材料 乙丙橡胶夹尼龙布、丁腈橡胶����� �������Ƴ������������ �������Ƴ�������夹尼龙布
弹簧范围 80~240kPa(HA型),190~250、190~300、190~350kPa(VA6型)
供气压力 260~400kPa(HA型),280~400kPa(VA6型),300~500kPa(VP型)
气源接口 Rc1/4"
环境温度 -30~+70℃
阀作用型式 用正作用或反作用执行机构实现阀的气����� �������Ƴ������������ �������Ƴ�������—关式或气—开式
附 件 定位器、空气过滤减压器、保位阀����� �������Ƴ������������ �������Ƴ������������ �������Ƴ�������、行程开关、阀位传送器、手轮机构等性 能
泄 漏 量 金属阀座:小于阀额定容量的0.01%,符合����� �������Ƴ������������ �������Ƴ������������ �������Ƴ������������ �������Ƴ�������ANSI B16.104—����� �������Ƴ������������ �������Ƴ�������1976 Ⅳ级
回 差 带定位器:小于全����� �������Ƴ������������ �������Ƴ������������ �������Ƴ�������行程的1% 基本误差 带定位器:小于全行程����� �������Ƴ������������ �������Ƴ������������ �������Ƴ�������的±1%
注:采用标准的V型聚四氟����� �������Ƴ������������ �������Ƴ�������乙烯填料
可调范围 50∶1







Copyright © 2020-20����� �������Ƴ������������ �������Ƴ������������ �������Ƴ�������21 湖北宜化集团化工机械设备制造安装有限公司����� �������Ƴ������������ �������Ƴ������������ �������Ƴ������� 版权所有备案号:京ICP证000000号