



阀 体
型 式 角型双座铸造球角型阀
公称通径
40、50、65、80、100、150、200mm
公称压����� ���������� �������Ƴ������������ �������Ƴ������������ �������Ƴ������������ �������Ƴ���������Ƴ�������力
ANSI 125、150、300、6����� �������Ƴ����������� �������Ƴ������������ �������Ƴ������������ �������Ƴ�������00
JIS10、16、20、30、40K ����� �������Ƴ������������ �������Ƴ�������;
PN1.6、4.0、6.4MPa
连接型式
法兰连接:FF、RF、RJ、LG、����� �������Ƴ������������ �������Ƴ������������ �������Ƴ�������MFM
法兰标准:JIS B2201-19����� �������Ƴ����������� �������Ƴ������������ �������Ƴ������������ �������Ƴ�������84、JB/T79.1-9����� �������Ƴ������������ �������Ƴ������������ �������Ƴ������������ �������Ƴ�������4(PN1.6MPa)、JB/T79.����� �������Ƴ������������ �������Ƴ������������ �������Ƴ������������ �������Ƴ�������2-94(PN4.0、6.4M����� �������Ƴ������������ �������Ƴ������������ �������Ƴ������������ �������Ƴ�������Pa) ANSI B16.5-1981、HG����� �������Ƴ������������ �������Ƴ������������ �������Ƴ������20594-97、HG20618-����� �������Ƴ������������ �������Ƴ�������97等
焊接连接:
嵌接焊SW(40~50mm)
对接焊BW(65~200mm)
材 料 铸钢(ZG230-450����� �������Ƴ������������ �������Ƴ�������)、铸不锈钢(ZG1Cr18Ni9����� �������Ƴ������������ �������Ƴ������������ �������Ƴ������������ �������Ƴ�������Ti、ZG1Cr18Ni12Mo2Ti、ZG����� �������Ƴ����������� �������Ƴ�������316L)、LF4、钛等
上 阀 盖
常温型(P):-17~+230℃
伸长Ⅰ型(EⅠ):-45~-17℃ +230~+566℃����� �������Ƴ������������ �������Ƴ������������ �������Ƴ����������� �������Ƴ�������
伸长Ⅱ型(EⅡ):-100~-45℃
伸长Ⅲ型(EⅢ):-196~-100℃
注:工作温度不准超过����� ���������� �������Ƴ������������ �������Ƴ���������Ƴ�������各种材料的����� �������Ƴ������������ �������Ƴ������������ �������Ƴ����������� �������Ƴ�������允许范围。
压盖型式 螺栓压紧式
填 料 V型聚四氟乙烯填料、含浸聚四����� �������Ƴ������������ �������Ƴ�������氟乙烯石棉填料、石棉编织填料、石墨填料
阀芯型式
压力平衡式阀芯流量特性 高容量流量特性
金属阀座:等百分比特性(%V)和线性特性(LV)&����� �������Ƴ������������ �������Ƴ������������ �������Ƴ������������ �������Ƴ�������nbsp;
软 阀 座:等百分比特性(%T)和线����� �������Ƴ������������ �������Ƴ������������ �������Ƴ������������ �������Ƴ�������性特性(LT)
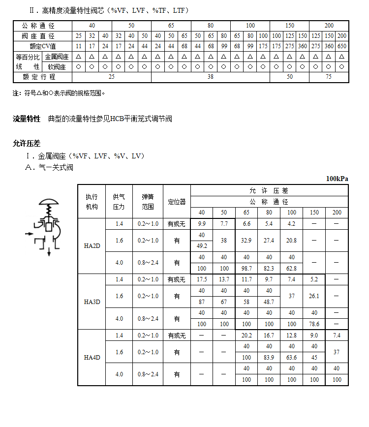
高精度流量特性
金属阀座:等百分比特性(%VF)����� �������Ƴ������������ �������Ƴ������������ �������Ƴ�������和线性特性(LVF) ����� �������Ƴ������������ �������Ƴ������������ �������Ƴ�������;
软 阀 座:等百分比特性(%TF)����� �������Ƴ����������� �������Ƴ������������ �������Ƴ������������ �������Ƴ�������和线性特性(LTF)
注:1.整体式和分离式套筒应根据����� �������Ƴ����������� �������Ƴ������������ �������Ƴ�������公称通径、材料和工作温度而定。
2. 软阀座的工����� �������Ƴ������������ �������Ƴ�������作温度和压差范围。
材 料 不锈钢(1Cr18Ni9Ti、1����� �������Ƴ������������ �������Ƴ�������Cr18Ni12Mo2Ti、����� �������Ƴ������������ �������Ƴ������������ �������Ƴ������������ �������Ƴ�������17-4PH、9Cr18����� �������Ƴ����������� �������Ƴ������������ �������Ƴ������������ �������Ƴ�������、316L)、不锈钢堆焊司太莱合金、钛和耐蚀合金����� �������Ƴ������������ �������Ƴ������������ �������Ƴ�������等
型 式 HA多弹簧薄膜执行机构、V����� �������Ƴ������������ �������Ƴ������������ �������Ƴ������������ �������Ƴ������A6单作用气缸活塞执行机构
膜片材料 乙丙橡胶夹尼龙布、丁腈橡胶夹尼龙布
弹簧范围 20~100����� �������Ƴ����������� �������Ƴ������������ �������Ƴ������������ �������Ƴ��������、80~240kPa
供气压力 140~400kPa(HA型)、400~500kPa(VA6型)
气源接口 Rc1/4"
环境温度 -30~+70℃
阀作用型式
用正作用或反作用执行机构实现阀����� �������Ƴ������������ �������Ƴ�������的气—关式或气—开式
附 件 定位器、空气过滤减压器、保位阀、行程����� �������Ƴ������������ �������Ƴ������������ �������Ƴ����������� �������Ƴ�������开关、阀位传送器、手轮机构����� �������Ƴ������������ �������Ƴ������等
性 能
泄 漏 量
金属阀座:小于阀额定容量的0.5%,符合ANSI B16.104—1976Ⅱ级
注:采用特殊结构:小于阀额定容量的0.01%����� �������Ƴ������������ �������Ƴ������������ �������Ƴ�������,符合ANSI B16.104—197����� �������Ƴ������������ �������Ƴ������������ �������Ƴ������������ �������Ƴ�������6 Ⅳ级
软 阀 座:小于阀额定容量的10-����� �������Ƴ������������ �������Ƴ������������ �������Ƴ����������� �������Ƴ�������5
回 差
带定位器:小于全行程的1%&nb����� �������Ƴ������������ �������Ƴ������������ �������Ƴ����������� �������Ƴ�������sp;不带定位器:小于全行程的����� �������Ƴ����������� �������Ƴ������������ �������Ƴ�������3%
基本误差
带定位器:小于全行程的±1% 不带定位器:小于全行程的±5%
注:采用标准的V型聚四氟乙烯填料
可调范围 50∶1










Copyright © 2����� �������Ƴ������������ �������Ƴ������������ �������Ƴ������������ �������Ƴ������020-2021 湖北宜化����� �������Ƴ������������ �������Ƴ������������ �������Ƴ�������集团化工机械设备制造安装有限公司 ����� �������Ƴ����������� �������Ƴ������������ �������Ƴ�������版权所有备案号:京ICP证000000号