



型 式 直通单座铸造球型阀
公称通径 40、50、65、80、100、150、200mm
公称压力
ANSI 125、150、300
JIS10、16、20K
PN1.6、4.0MPa
连接型式
法兰连接:FF、RF、RJ、LG、����� �������Ƴ������������ �������Ƴ������������ �������Ƴ������MFM
法兰标准:JIS B2201-198����� �������Ƴ����������� �������Ƴ�������4、JB/T79.1-94(PN1.����� �������Ƴ����������� �������Ƴ������������ �������Ƴ����������� �������Ƴ�������6MPa)、JB/T79.2-94(PN4.0����� �������Ƴ������������ �������Ƴ�������、6.4MPa) ANSI B16.5-198����� �������Ƴ������������ �������Ƴ������������ �������Ƴ������������ �������Ƴ�������1、HG20594-97、HG����� ������ �������Ƴ������������ �������Ƴ������������ �������Ƴ����������� �������Ƴ������������Ƴ�������20618-����� �������Ƴ����������� �������Ƴ������������ �������Ƴ������������ �������Ƴ�������97等
焊接连接:
嵌接焊SW(40~50mm)
对接焊BW(65~200mm)
材 料 铸钢(ZG230-450)、铸不锈钢(ZG1����� �������Ƴ������������ �������Ƴ������������ �������Ƴ������������ �������Ƴ�������Cr18Ni9Ti、ZG1Cr18Ni����� �������Ƴ������������ �������Ƴ������������ �������Ƴ�������12Mo2Ti、ZG316L)����� �������Ƴ����������� �������Ƴ����������� �������Ƴ������������ �������Ƴ�������、钛等
上 阀 盖
常温型(P):-17~+23����� �������Ƴ������������ �������Ƴ������������ �������Ƴ������������ �������Ƴ�������0℃
伸长Ⅰ型(EⅠ):-45~-17℃ +����� �������Ƴ������������ �������Ƴ������������ �������Ƴ������������ �������Ƴ�������230~+566℃
伸长Ⅱ型(EⅡ):-100~-45℃����� �������Ƴ������������ �������Ƴ������������ �������Ƴ������
注:工作温度不准超过各种材料的允许����� �������Ƴ������������ �������Ƴ�������范围。压盖型式 螺栓压紧式
填 料 V型聚四氟乙烯填料、含浸����� �������Ƴ������������ �������Ƴ������������ �������Ƴ�������聚四氟乙烯石棉填料、石棉编织填料、石����� �������Ƴ������������ �������Ƴ������������ �������Ƴ������������ �������Ƴ�������墨填料
阀内组件
阀芯型式 单座平板型阀芯
流量特性 快开特性(QS)
材 料 1Cr18Ni9Ti+ST、1Cr18Ni12Mo2����� �������Ƴ������������ �������Ƴ�������Ti+ST等
执行机构
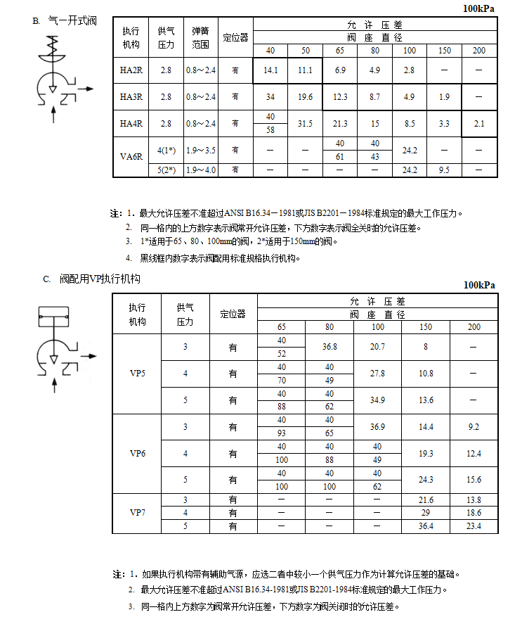
型 式 HA多弹簧薄膜执行机构、����� �������Ƴ������ �������Ƴ������������ �������Ƴ������������ �������Ƴ������������ �������Ƴ������������VA6单作用气缸活塞执行机构、VP双作用气缸活塞执行机构
膜片材料 乙丙橡胶夹尼龙布、丁腈橡胶����� �������Ƴ����������� �������Ƴ������������ �������Ƴ�������夹尼龙布
弹簧范围 80~240kPa(HA型),190~350、190~400kPa(VA6型)
供气压力 140~400kPa(HA型)、400~500kPa(VA6型)、300~500kPa(VP型)
气源接口 Rc1/4"、Rc1/2"
环境温度 -30~+70℃
阀作用型式 用正作用或反作用执行机构实现阀的气—关式或����� �������Ƴ����������� �������Ƴ������������ �������Ƴ����������� �������Ƴ�������气—开式
附 件 电磁阀、空气过滤减压器、保位阀、行程开����� �������Ƴ������������ �������Ƴ������������ �������Ƴ�������关、手轮机构等
泄漏量 小于阀额定容量的10-5








Copyright © 20����� �������Ƴ������������ �������Ƴ����������� �������Ƴ�������20-2021 湖北宜化集团����� �������Ƴ������������ �������Ƴ������������ �������Ƴ�������化工机械设备制造安装有限公司 版权所有����� �������Ƴ������������ �������Ƴ�������备案号:京ICP证000000号����� �������Ƴ������������ �������Ƴ����������� �������Ƴ������������ �������Ƴ�������