












KHCB电动平衡笼式调节阀是CV3����� �������Ƴ������������ �������Ƴ����������� �������Ƴ������000系列产品之一。
KHCB电动平衡笼式调节阀控制各种高温、低温的高����� �������Ƴ����������� �������Ƴ�������压流体,是一种压力平衡式的调节阀。阀结����� �������Ƴ������������ �������Ƴ������������ �������Ƴ����������� �������Ƴ�������构紧凑,有呈S流线型的通道,还设有一个改善套����� �������Ƴ������������ �������Ƴ����������� �������Ƴ�������筒周围流体平衡流动的导流翼,����� �������Ƴ������������ �������Ƴ������������ �������Ƴ�������使其压降损失小,流量大,可����� �������Ƴ������������ �������Ƴ������������ �������Ƴ������调范
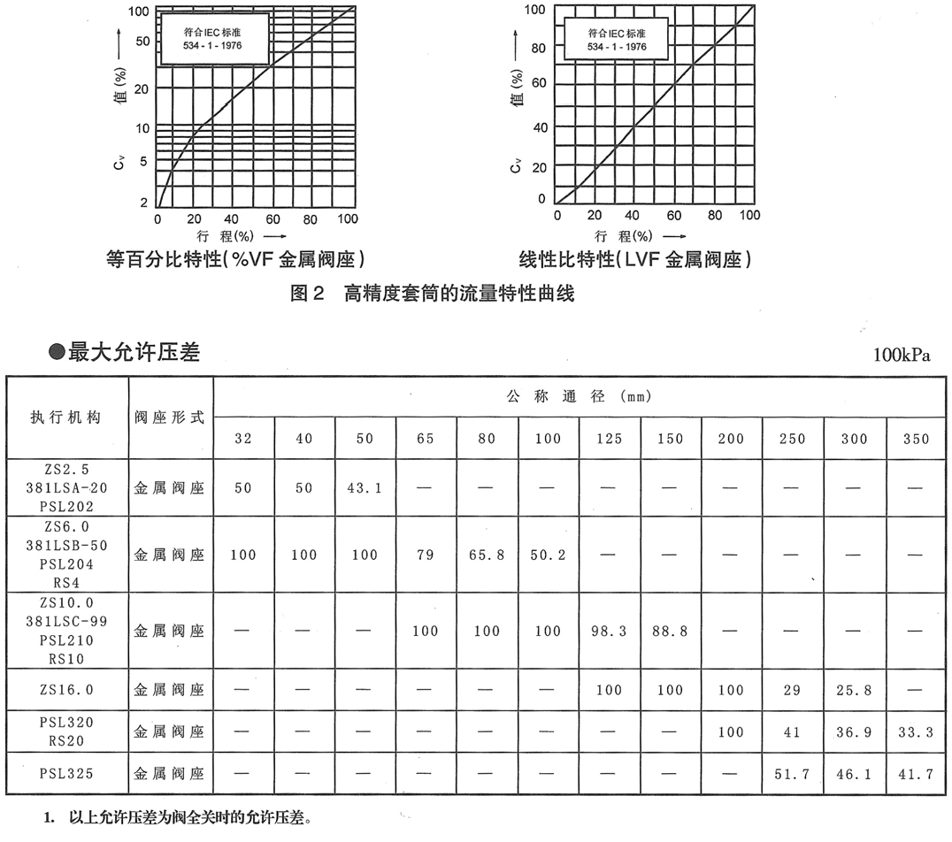
范围广,流量特性精度高,符合IEC534-1-1����� �������Ƴ������������ �������Ƴ�������976标准。调节阀����� ��������� �������Ƴ������������ �������Ƴ������������ �������Ƴ����������Ƴ�������动态稳定性好,噪音低,空����� �������Ƴ������������ �������Ƴ������������ �������Ƴ�������化腐蚀小。调节阀的泄漏量����� �������Ƴ������������ �������Ƴ������������ �������Ƴ�������符合ANSI B16.1����� �������Ƴ������������ �������Ƴ�������04标准。
产品符合GB/T11922����� �������Ƴ������������ �������Ƴ�������-94标准。
Copyright © 2����� �������Ƴ������������ �������Ƴ�������020-2021 湖北宜化集团化工机械设����� �������Ƴ������������ �������Ƴ����������� �������Ƴ����������� �������Ƴ�������备制造安装有限公司 版权所有备案号:京ICP证000000号