



技 术 参 数 和 性 能
阀 体
型 式 单座铸造球型阀
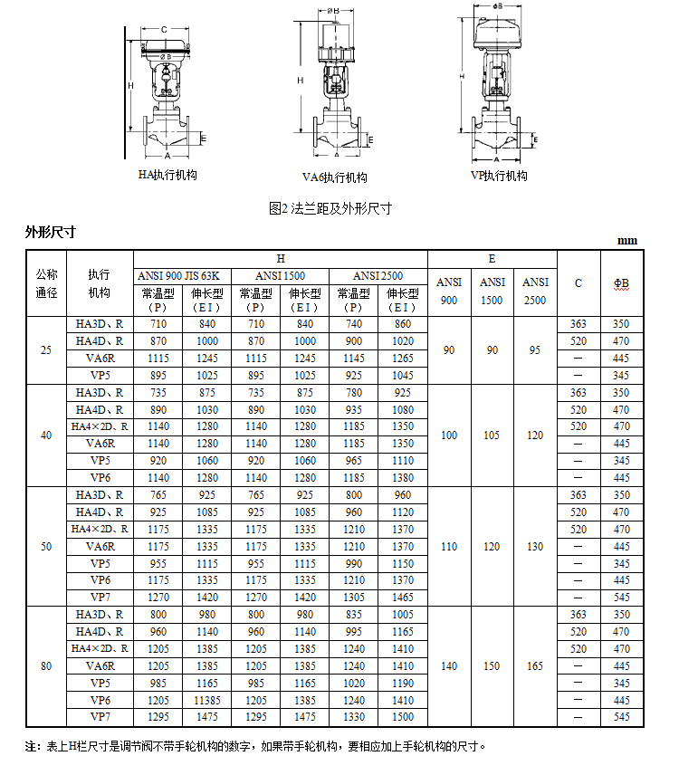
公称通径 25、40、50、80mm
公称压力 ANSI 900、1500、2500 JIS 63K
连接型式
法兰连接:RF、RJ
法兰标准:JIS B2201-1984、AN����� �������Ƴ������������ �������Ƴ������������ �������Ƴ������������ �������Ƴ�������SI B16.5-1981����� �������Ƴ������������ �������Ƴ������������ �������Ƴ�������等
焊接连接:
嵌接焊SW(40~80mm)
对接焊BW(80mm)
材 料 碳钢(ZG230-450)、CrMo钢、不����� �������Ƴ������������ �������Ƴ�������锈钢(ZG1Cr18Ni9T����� �������Ƴ������������ �������Ƴ������������ �������Ƴ������������ �������Ƴ������i、ZG1Cr18Ni12M����� �������Ƴ������������ �������Ƴ�������o2Ti、 316����� �������Ƴ������������ �������Ƴ������������ �������Ƴ������������ �������Ƴ������L)等
上阀盖
常温型(P):-5~+230℃
伸长Ⅰ型(EⅠ): +230~+566℃
注:工作温度不准超过各种材料的允����� �������Ƴ������������ �������Ƴ����������� �������Ƴ������������ �������Ƴ�������许范围。压盖型式 螺栓压紧式
填 料 石棉编织填料阀内组件
阀芯型式 单座柱塞型阀芯
流量特性 等百分比特性(%C)和线性特性(L����� �������Ƴ������������ �������Ƴ������������ �������Ƴ�������C),参考图1
材 料 不锈钢(1Cr18Ni9Ti、1Cr����� �������Ƴ����������� �������Ƴ�������18Ni12Mo2Ti、17-4PH����� �������Ƴ������������ �������Ƴ�������、9Cr18、316L)、不����� �������Ƴ������������ �������Ƴ������锈钢堆焊司太莱合金等
型 式
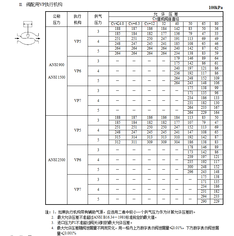
HA多弹簧薄膜执行机构、VA6单作用气缸活塞执行机构、����� �������Ƴ������������ �������Ƴ������������ �������Ƴ������������ �������Ƴ�������VP双作用气缸活塞执行机构
膜片材料 乙丙橡胶夹尼龙布、丁腈橡胶夹����� �������Ƴ������������ �������Ƴ������������ �������Ƴ�������尼龙布
弹簧范围 80~240kPa(HA型),190~250、190~300、190~350kPa(VA6型)
供气压力 260~400kPa(HA型),280~400kPa(VA6型),300~500kPa(VP型)
气源接口 Rc1/4"
环境温度 -30~+70℃
阀作用型式 用正作用或反作用执行机构实现阀的����� �������Ƴ����������� �������Ƴ����������� �������Ƴ������������ �������Ƴ�������气—关式或气—开式
附 件 ����� �������Ƴ������������ �������Ƴ������������ �������Ƴ������� 定位器、空气过滤减压器、保位����� �������Ƴ����������� �������Ƴ����������� �������Ƴ�������阀、行程开关、阀位传送器、手轮机构等
性 能
泄漏量 金����� �������Ƴ������������ �������Ƴ����������� �������Ƴ����������� �������Ƴ�������属阀座:小于阀额定容量的0.01%,符合ANS����� �������Ƴ������������ �������Ƴ������������ �������Ƴ������������ �������Ƴ�������I B16.104-1976Ⅳ����� �������Ƴ������������ �������Ƴ������������ �������Ƴ������������ �������Ƴ�������级
回 差
带定位器:小于全行程的1% 基本误差 ����� �������Ƴ������������ �������Ƴ������������ �������Ƴ�������
带定位器:小于全行程的±1%
可调范围 50∶1












Copyright © 2020-20����� �������Ƴ������������ �������Ƴ�������21 湖北宜化集团化工机械����� �������Ƴ������������ �������Ƴ�������设备制造安装有限公司 版权����� �������Ƴ������������ �������Ƴ������所有备案号:京ICP证000000号