











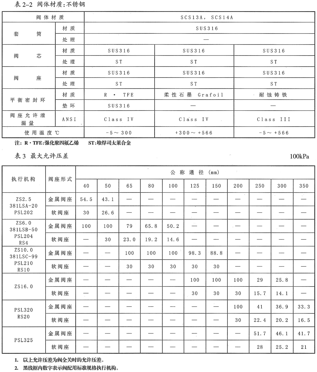
KHCN电动低噪音笼式调节阀是CV3����� �������Ƴ������������ �������Ƴ�������000系列产品之一。
KHCN电动低噪音笼式调节阀可以降����� �������Ƴ����������� �������Ƴ�������低压缩流体的噪音,为适应气体节流����� �������Ƴ������������ �������Ƴ����������� �������Ƴ�������扩散与膨胀,套筒上设有许多对称小孔来����� �������Ƴ����������� �������Ƴ������������ �������Ƴ�������降低压力降。阀芯采用压力平衡式����� �������Ƴ������������ �������Ƴ������������ �������Ƴ������������ �������Ƴ�������结构。流体通道呈S流线型����� �������Ƴ������������ �������Ƴ������������ �������Ƴ������������ �������Ƴ�������,还设有一个改善套筒周围流体平衡流动的导����� �������Ƴ������������ �������Ƴ������������ �������Ƴ�������流翼,使其压降损失小,噪音低,防气����� �������Ƴ������������ �������Ƴ�������蚀,����� �������Ƴ����������� �������Ƴ������������ �������Ƴ����������� �������Ƴ��������抗空化。调节阀的泄漏量符合ANSI ����� �������Ƴ������������ �������Ƴ������������ �������Ƴ�������B16.104标准。
产品符合GB/T11922-94标准。����� �������Ƴ������������ �������Ƴ�������
Copyright © 2020����� �������Ƴ������������ �������Ƴ������������ �������Ƴ������������ �������Ƴ�������-2021 湖北宜化集团化工机����� �������Ƴ������������ �������Ƴ������������ �������Ƴ�������械设备制造安装有限公司 版����� �������Ƴ������������ �������Ƴ�������权所有备案号:京ICP证000000号