









KHPS电动高压单座调节阀����� �������Ƴ������������ �������Ƴ������������ �������Ƴ������是CV3000系列产品之����� �������Ƴ������������ �������Ƴ������������ �������Ƴ������������ �������Ƴ������。
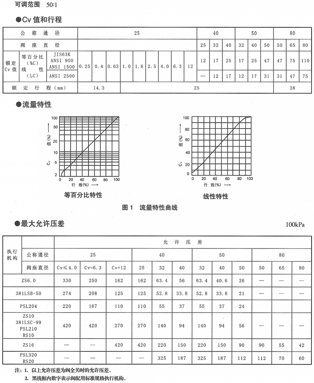
KHPS电动高压单座调节阀是一����� �������Ƴ������������ �������Ƴ������������ �������Ƴ������������ �������Ƴ�������种上导向结构的调节阀,阀结����� �������Ƴ������������ �������Ƴ������������ �������Ƴ������构紧凑,压降损失小,流量大,可调范围广。����� �������Ƴ����������� �������Ƴ������������ �������Ƴ������������ �������Ƴ�������阀芯导向部分的导向面积大,抗振性好����� �������Ƴ������������ �������Ƴ������������ �������Ƴ�������。调节阀的泄漏量符合ANS����� �������Ƴ����������� �������Ƴ������������ �������Ƴ�������I B16.104����� �������Ƴ������������ �������Ƴ������������ �������Ƴ������������ �������Ƴ������标准。
产品符合GB/T11922-89标准。
Copyright © 2020����� �������Ƴ������������ �������Ƴ������������ �������Ƴ������������ �������Ƴ�������-2021 湖北宜化集团化工机械设备制造安装有����� �������Ƴ������������ �������Ƴ������限公司 版权所有备案号:京ICP证000000号